福建龍溪軸承(集團)股份有限公司屬漳州市屬重點國有控股上市企業。現因生產需要,擬采購簡易超精機壹臺,根據我司管理制度要求,擬采取內部邀請招標方式確定供應商?,F歡迎潛在合格的供應商前來報名,參與該項目投標。
一、投標報名人的資格要求:
1.依法注冊,具有獨立法人的實體注冊企業,具備履行合同所必需設備和專業技術能力的制造商、經銷商、代理商;
2. 近三年與本項目相同或相類似的設備銷售業績。
二、報名須知
1.報名時間:2024年02月18日至 2024年02月23日。(上午:8:30~11:30、下午:14:00~17:00,法定節假日、雙休日除外)
2. 報名方式:郵箱報名,參與投標的申請人須將公司的營業執照復件及近三年與本項目相同或相類似的設備銷售業績(用EXCEL列表用戶名稱、銷售貨物名稱規格、數量、交貨日期、運行狀況,合同截圖作為證據)加蓋公章(如果是代理商還要提供制造廠家提供的代理授權書或代理授權證明)、代理人的《法定代表人授權委托書》(要有法定代表人的手簽)發至采購人指定郵箱,并寫明“簡易超精機采購”采購與安裝項目報名資料、公司名稱、屬地、項目聯系人姓名、手機號碼”。
3. 咨詢電話:0596-2072080(商務)、0596-2025673(技術)每天上午 8:30至11:30 ,下午 14:00至 17:00(北京時間,法定節假日、雙休日除外 )。
三、獲取招標文件時間: 2024年02月26日。
四、獲取招標文件方式:采購人將以電子郵件的形式發給各投標人。
五、采購技術要求:詳見附件
六、采購單位:福建龍溪軸承(集團)股份有限公司
聯 系 人:黃先生
郵箱:huangwx@ls.com.cn
地址:福建省漳州市龍文區小港北路32號 郵編:363005
福建龍溪軸承(集團)股份有限公司
2024年02月 18日
附件:
簡易超精機采購技術要求
一、設備要求概述
1、設備名稱、型號、需求數量
2、交貨期:70天
3、主要參數、結構、功能要求
1)主要參數、結構、功能要求
1)設備床身基座由鋼板(板厚≥15mm)整體焊接而成,全封閉式。
2)工件箱固定在基座上,為了裝配方便,工件軸采用圓筒式軸承座,在外部組裝局部總成后再安裝到機座上。
3)工件軸采用帶傳動,由電機+帶輪方式,松緊可調,配有安全防護罩。
4)工件軸與工裝芯軸采用7:24錐度配合。為了提高工件軸軸承使用壽命,工件軸前端應采取防塵措施。
5)磨架安裝在工件箱上方,在工件主軸線垂直平面內,磨頭軸線與工件軸軸線互相垂直。
6)磨頭由電機+皮帶方式驅動,皮帶松緊可調整,配有安全防護罩。
7)磨頭上下移動采用液壓升降,配獨立液壓箱,使磨頭工作時既有柔性,又壓力穩定。
8)設備采用油冷卻,配置獨立冷卻油箱。冷卻油箱容量≥100L,內部采用隔離沉積過濾。
9)磨頭磨削時間可進行設置。磨頭下行一定距離后,工件主軸與磨頭電機同時轉動,磨頭按設置時間磨削,磨削時間結束后,磨頭上升離開工件,工件和磨頭電機同時停止。磨頭壓力可調。
2)其它補充要求
1)設備不存在漏水、漏油、漏電等三漏現象。
2)設備內部液壓系統采用膠管總成進行連接。
3)設備配安全電壓內(≤36V)的LED工作燈。
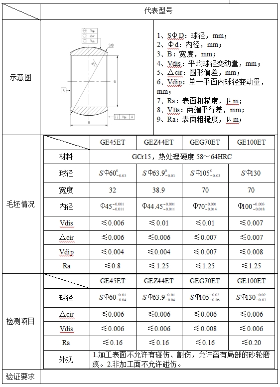
4、設備加工范圍
5、設備幾何精度指標
6、設備其它技術指標(由各供應商提供)
7、設備平面布局圖(含設備高度)
(長*寬*高)
8、工藝要求(總體工藝要求及驗收產品型號和要求)
設備驗收時,選擇1~2作為驗收型號(或根據實際情況,雙方協商以另選其它型號作為驗收型號)進行超精加工,對“設備要求概述”中的內容進行驗收。
9、設備主要配備說明
10、易損件清單(由供方提供)
11、設備報價或分項報價(此合同為人民幣含稅價,并隨貨提供全額13%的專用增值稅發票??們r格包括設備設計、制造、調試、運輸、培訓及一年(或二年)保修費用。)
12、設備技術要求未盡方面可按國家及行業標準配置并以滿足甲方工藝技術要求為準必要時及時與甲方溝通。
二、設備技術要求總則
1、本技術要求為最低限度的技術要求,并未對一切技術細節做出規定,也未充分引述有關標準和規范的條文,供應商應保證提供符合或優于本技術規格書和有關工業標準的優質產品。
2、設備具備良好的人機對話功能,設備節能環保、安全,操作維修方便,造型美觀,運行穩定、可靠。
3、設備及其配套的零部件須保證是全新的,零部件、電氣元件需選用國際品牌、國內馳名品牌。
4、所用的電氣材料必須是中國強制性產品認證(CCC)的產品。
5、設備服務要求:供方在按上述供貨范圍提供設備的同時,須提供與之相應的伴隨服務。包括:技術資料、安裝調試、現場試運行、技術支持、技術服務、技術培訓等,以及在文中未提及的、隱含的其他必須由供方提供的相關服務。
6、設備顏色要求:按國標色卡電子版(GSB05-1426-2001) , 以床身為界,機床上半身為第77號 GY09冰灰;下半身為第4號 PB04中(酞)藍;單獨電器柜及有電箱標識的部份為第59號 YR桔黃色。電機后罩如可能的話采用第59號 YR桔黃色。
7、機床電氣柜內電氣元件標識要求:所有的電氣元器件、電線都必須要求有唯一的標識,標識的內容要求和電氣圖紙資料中的標識相一致;電氣元件標識位于電氣元件正上方,除了標出與圖紙一致的元件代號外,應標出終端負載(或控制下一層級)電氣元件的中文名稱。配電箱的門上明顯位置要張貼“當心觸電”的警示標識。箱門轉動靈活,接地可靠,接地點應標以接地符號。
三、售后服務、培訓資料和技術資料等
1、全套設備運輸、現場卸貨、安裝調試均由供貨方負責,用戶配合并實行交鑰匙工程。(我司給以必要配合實施)
2、設備到達用戶所在地后,在接到用戶安裝通知后7個工作日內執行免費安裝、調試和培訓;人員培訓是指設備操作培訓。
3、保修:設備質保期為1年或2年,。在設備保修期內不收取零部件及其它費用(人為損壞因素除外),實行保修服務;并提供設備終身有償售后服務。
4、設備保修期滿之后,應提供廣泛而優惠的技術支持及備件的供應。
5、維修響應:接到用戶通知后,8小時內做出響應,48小時內給出明確解決方案,遵循盡量在最短時間內為用戶解決問題的原則,如需要,在48小時內趕到現場。
6、提供壹套使用說明書。說明書滿足使用、維護、保養、操作、安全、安裝、調整的需要、裝訂整齊規范。文件資料應含有機械原理圖、電氣原理圖等,以便維保查閱。
7、提供出廠合格證明、裝箱單。






