GEK...XS-2GS
產品編號:GEK...XS-2GS 25~60
滑動磨擦副:鋼/鋼
產品特點:外圈沿軸向剖分成兩半,用鎖圈固定,內、外圈材料均為軸承鋼,淬火,內圈球面鍍硬鉻,外圈兩端帶有密封圈。
使用溫度范圍:-25℃~+120℃
????
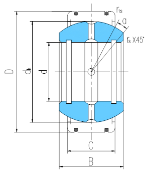
軸 承 型 號 Bearing number | 外 形 尺 寸 Dimensions mm | 額定載荷 Load ratings kN | 重 量 Weight ≈kg | ||||||||
d | D | B | C | dk | rs min | r1s min | α? ≈ | 動載荷 Dynamic | 靜載荷 Static | ||
GEK25XS-2GS | 25 | 68 | 40 | 28 | 50 | 0.6 | 1 | 19 | 117 | 590 | 0.707 |
GEK30XS-2GS | 30 | 70 | 47 | 32 | 60 | 0.6 | 1 | 19 | 163 | 813 | 0.814 |
GEK35XS-2GS | 35 | 80 | 54 | 38 | 70 | 0.6 | 1 | 17 | 226 | 1130 | 1.23 |
GEK40XS-2GS | 40 | 90 | 64 | 44 | 80 | 0.6 | 1 | 19 | 298 | 1490 | 2 |
GEK45XS-2GS | 45 | 100 | 72 | 52 | 90 | 0.6 | 1 | 17 | 398 | 1990 | 2.84 |
GEK50XS-2GS | 50 | 110 | 80 | 58 | 100 | 1 | 1 | 17 | 493 | 2450 | 3.81 |
GEK55XS-2GS | 55 | 125 | 90 | 64 | 110 | 1 | 1 | 19 | 598 | 2990 | 5.49 |
GEK60XS-2GS | 60 | 135 | 98 | 72 | 120 | 1 | 1 | 17 | 732 | 3660 | 6.93 |
????